Para poder entender el funcionamiento de los transformadores se deben de tener en cuenta distintos fenómenos, como:
Armónicas
Las armónicas son corrientes y/o voltajes presentes en un sistema eléctrico, con una frecuencia múltiplo de la frecuencia fundamental. Así, en sistemas con frecuencia de 60Hz y cargas monofásicas, las armónicas características son la tercera (180 Hz), quinta (300 Hz), y séptima (420 Hz) por ejemplo, En el caso de sistemas alimentados por la red de 50Hz, pueden aparecer armónicos de 100, 150, 200, Hz, etc.
Debe tenerse en cuenta que además de los armónicos indicados anteriormente, en las redes también se encuentran otros dos tipos de componentes superpuestos a la onda fundamental. Los interarmónicos que se caracterizan por una frecuencia que no es múltiplo de la fundamental (por ejemplo: 175 Hz no es múltiplo de 50 Hz), y los infra-armónicos los cuales presentan una frecuencia inferior a la de la red.
Cuando se habla de los armónicos en las instalaciones de energía, son los armónicos de corriente los más preocupantes, puesto que son corrientes que generan efectos negativos. Es corriente trabajar únicamente con valores correspondientes a la distorsión armónica total (THD).
La resultante de los armónicos normalmente se explica por la distorsión armónica total (THD: Total Harmonics Distortion). El cálculo de THD permite calificar globalmente el nivel de contaminación de una red en tensión o en corriente.
Normalmente se utilizan los métodos de cálculo. La CEI 61000-2-2 define el THDF como la relación (indicada en porcentajes) entre el valor eficaz de las componentes armónicas y la amplitud de la fundamental:
En cuanto al THDR definido según la norma DIN, representa la distorsión armónica en relación al valor eficaz real:
En la siguiente tabla se muestran algunas perturbaciones detectadas según el THD:
Tipos de equipos que generan armónicos:
- Fuentes de alimentación de funcionamiento conmutado (SMPS).
- Estabilizadores electrónicos de dispositivos de iluminación fluorescente
- Sistemas de Alimentación Ininterrumpida (SAI o UPS).
- Motores eléctricos.
Problemas producidos por los armónicos:
- Sobrecarga de los conductores neutros
- Sobrecalentamiento de los transformadores
- Disparos intempestivos de los interruptores automáticos
- Sobrecarga de los condensadores de corrección del factor de potencia
- Distorsiones en sistemas de comunicaciones
- Ruido y posibles daños en circuitos electrónicos
- Alteraciones en la forma de onda
Triángulo de potencias:
El llamado triángulo de potencias es la mejor forma de
ver y comprender de forma gráfica qué es el factor de potencia o coseno de “fi”
(Cos φ) y su estrecha relación con los restantes tipos de potencia presentes en
un circuito eléctrico de corriente alterna.
En la siguiente imagen se observa el triángulo de potencia para diferentes circuitos:
- Potencia activa: Es la potencia realmente consumida.
- Potencia reactiva: Esta potencia no tiene el carácter de realmente consumida y sólo aparecerá, cuando en un circuito existan bobinas y/o condensadores. Será negativa, en el caso de que el circuito tenga o predomine el carácter inductivo, y positiva cuando tenga o predomine el carácter capacitivo. La dimensión de Q, es la de una potencia, pero para tener en cuenta el matiz antes señalado, no se utilizan los vatios, sino que sus unidades son VAR (voltio-amperio reactivo)
- Potencia aparente: Esta potencia, tampoco tiene el carácter de realmente consumida y viene a señalarnos la misión que tiene la red de alimentación de un circuito, de no sólo satisfacer la energía consumida por los elementos resistivos, sino la de poner en juego la que van a entretener bobinas y condensadores. De ahí su nombre aparente ya que salvo que cosϕ = 1, no será la realmente consumida. Sus unidades son VA (voltio-amperio)
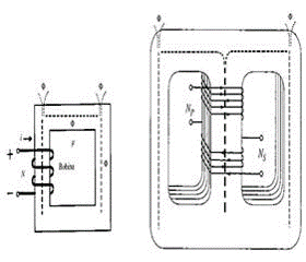
Esquema de un transformador Monofásico
En la siguiente figura se plantea el circuito que puede servir para representar un transformador monofásico o bien cualquiera de las fases de un trasformador trifásico tanto en régimen permanente como en procesos transitorios de baja frecuencia. Para analizar el comportamiento completo de un transformador trifásico se debe incluir la representación de las tres fases así como la conexión en ambos lados del transformador.
Comenzando desde el lado superior izquierdo encontramos:
R1, R2 La resistencia al cobre, representan las pérdidas por efecto Joule de los dos enrollamientos del transformador.
X1, X2 la reactancia que representa el flujo de dispersión, el flujo que circula por el aire como se observa en la figura anterior.
RFe y Xm respectivamente la resistencia del hierro, representa las perdidas en el núcleo, y la reactancia de hierro, flujo de magnetización confiado en el núcleo y común a los dos enrollamientos del transformador.
Mantenimiento a equipo eléctrico
• Mantenimiento preventivo: Son labores programadas que permiten darles a los equipos una mayor vida útil. Disminuir el costo de reparaciones y dar condiciones más seguras de trabajo. Es decir, es una revisión periódica de las paredes eléctricas más vulnerables con el objeto de evitar averías intempestivas. Determinan los elementos que serán motivo de inspección. Se diferencia del mantenimiento correctivo, justamente, porque mantiene al aparato en funcionamiento, mientras que el correctivo repara a aquel aparato que dejo de funcionar.
• Mantenimiento correctivo: Este mantenimiento tiene por objetivo restaurar el funcionamiento de los equipos. Para esto se requiere hacer una evaluación integral de los daños, en algunas ocasiones es necesario retirar los equipos para revisarlos en nuestro departamento de servicio.
En general en todos los casos de mantenimiento es necesario realizar un plan para efectuar dicho mantenimiento contemplando aspectos importantes tales como el costo del mantenimiento, las consecuencias de no realizar el mantenimiento reflejado en el paro de producción y los costos de la misma, los encargados, el tiempo de aplicación y fecha de la misma.
Para llevar a cabo el mantenimiento es importante contar con un diagrama del funcionamiento de la planta ya sea de flujo de bloque, esquemático, etc.
• Mantenimiento predictivo: El mantenimiento predictivo o basado en la condición evalúa el estado de la maquinaria y recomienda intervenir o no, lo cual produce grandes ahorros, es decir, se anticipa a la falla por medio de un seguimiento para predecir el comportamiento de una o más variables de un equipo. Se basa en un proceso de mediciones.
El mantenimiento predictivo es un conjunto de técnicas instrumentadas de medida y análisis de variables para caracterizar en términos de fallos potenciales la condición operativa de los equipos productivos. Su misión principal es optimizar la fiabilidad y disponibilidad de equipos al mínimo costo.
La gestión optimizada de la programación del mantenimiento reporta las siguientes ventajas:
- Se evitan prácticamente todas las paradas no planificadas por avería.
- Se alargan los intervalos productivos entre paradas para mantenimiento y se minimizan los tiempos de reparación.
- Se aumenta la disponibilidad de la planta.
- Se evitan las pérdidas de producto por paros en el proceso productivo.
- Se amplía la duración de servicio de los componentes, solamente se sustituyen cuando comienzan a dañarse.
- Se reducen los stocks de piezas de recambio, puesto que el aprovisionamiento de estas piezas también puede programarse.
- Se impiden penalizaciones por retrasos en las entregas.
- Se mejora la calidad del producto fabricado (mecanización, laminación).
- Se evitan averías catastróficas, aumenta la seguridad de la planta, se reducen las primas de seguros.
- Se aumenta la fiabilidad de la planta.
• Mantenimiento sistemático: En este tipo de mantenimiento se realizan un conjunto de tareas que se realizaran sin importar cuál es el estado del equipo, además se realizara labores de medición y pruebas que nos servirán para decidir si es necesario realizar otras tareas de mayor importancia y al final arreglamos las averías que surjan. Este mantenimiento se lo aplica mucho en equipos de disponibilidad media en los cuales las averías causan algunos trastornos. Es importante señalar que un equipo sujeto a un modelo de mantenimiento sistemático no tiene por qué tener todas sus tareas con una periodicidad fija. Simplemente, un equipo con este modelo de mantenimiento puede tener tareas sistemáticas, que se realicen sin importar el tiempo que lleva funcionando o el estado de los elementos sobre los que se trabaja.
Organismos de normalización de equipos eléctricos.
Los organismos de normalización en México son los siguientes:
- Dirección General de Normas (DGN): Acredita a los organismos de certificación y emite certificados de productos para las cuales no exista un organismo de certificación.
- Entidad mexicana de Acreditación (EMA) Evalúa y acredita Unidades de Verificación, Laboratorios de Prueba y/o calibración así como Organismos de Certificación.
- Asociación de Normalización y Certificación A.C. (ANCE): Responsable de la emisión de normas y de la certificación de productos eléctricos, tales como electrodomésticos. Este organismo es también un laboratorio de pruebas acreditado y aprobado nacionalmente.
- Secretaría de Energía (SE): Se encarga de controlar, administrar y regular todos los medios energéticos, tales como los combustibles, energía eléctrica y material radioactivo, entre otros. Además, regula todas las concesiones que se aplican a la explotación y uso de los mismos.
- Dirección General de Gas LP y de Instalaciones Eléctricas (DGGIE): Organización encargada de supervisar las instalaciones eléctricas. Y verificar se cumpla con las normas necesarias.
- Instituto de Investigaciones Eléctricas (IIE): Es un centro de investigación del sector energía, dedicado principalmente a las áreas eléctrica y energética de México. Nuestros objetivos principales son la investigación, la innovación aplicada, el desarrollo tecnológico, la ingeniería y los servicios técnicos especializados en áreas como la eficiencia energética, la planeación y expansión del sistema eléctrico nacional, la confiabilidad, seguridad, simulación, las energías renovables, la automatización, y las nuevas tecnologías de información. Además realizamos la comercialización y transferencia tecnológica de nuestros desarrollos, ofrecemos capacitación y actualización a los ingenieros del sector y otorgamos grados académicos.
- Comisión Federal de Electricidad (CFE): Aunque su principal función está basada en la distribución de la energía eléctrica también interviene en la normalización de equipos eléctricos.
- Asociación de normalización y certificación (ANCE): Fundada en 1992 para brindar apoyo en la certificación de productos para el sector eléctrico. A nivel internacional también hay organizaciones de normalización:
- Organización Internacional de Normalización (ISO): Es el organismo encargado de promover el desarrollo de normas internacionales de fabricación (tanto de productos como de servicios), comercio y comunicación para todas las ramas industriales. Su función principal es la de buscar la estandarización de normas de productos y seguridad para las empresas u organizaciones (públicas o privadas) a nivel internacional. Está formada por 163 países.
- Asociación de Fabricantes Eléctricos Nacionales (NEMA): Asociación encargada de estandarizar la fabricación de equipos eléctricos para las normas de cada país.
Los organismos de normalización en México son los siguientes:
- Dirección General de Normas (DGN): Acredita a los organismos de certificación y emite certificados de productos para las cuales no exista un organismo de certificación.
- Entidad mexicana de Acreditación (EMA) Evalúa y acredita Unidades de Verificación, Laboratorios de Prueba y/o calibración así como Organismos de Certificación.
- Asociación de Normalización y Certificación A.C. (ANCE): Responsable de la emisión de normas y de la certificación de productos eléctricos, tales como electrodomésticos. Este organismo es también un laboratorio de pruebas acreditado y aprobado nacionalmente.
- Secretaría de Energía (SE): Se encarga de controlar, administrar y regular todos los medios energéticos, tales como los combustibles, energía eléctrica y material radioactivo, entre otros. Además, regula todas las concesiones que se aplican a la explotación y uso de los mismos.
- Dirección General de Gas LP y de Instalaciones Eléctricas (DGGIE): Organización encargada de supervisar las instalaciones eléctricas. Y verificar se cumpla con las normas necesarias.
- Instituto de Investigaciones Eléctricas (IIE): Es un centro de investigación del sector energía, dedicado principalmente a las áreas eléctrica y energética de México. Nuestros objetivos principales son la investigación, la innovación aplicada, el desarrollo tecnológico, la ingeniería y los servicios técnicos especializados en áreas como la eficiencia energética, la planeación y expansión del sistema eléctrico nacional, la confiabilidad, seguridad, simulación, las energías renovables, la automatización, y las nuevas tecnologías de información. Además realizamos la comercialización y transferencia tecnológica de nuestros desarrollos, ofrecemos capacitación y actualización a los ingenieros del sector y otorgamos grados académicos.
- Comisión Federal de Electricidad (CFE): Aunque su principal función está basada en la distribución de la energía eléctrica también interviene en la normalización de equipos eléctricos.
- Asociación de normalización y certificación (ANCE): Fundada en 1992 para brindar apoyo en la certificación de productos para el sector eléctrico. A nivel internacional también hay organizaciones de normalización:
- Organización Internacional de Normalización (ISO): Es el organismo encargado de promover el desarrollo de normas internacionales de fabricación (tanto de productos como de servicios), comercio y comunicación para todas las ramas industriales. Su función principal es la de buscar la estandarización de normas de productos y seguridad para las empresas u organizaciones (públicas o privadas) a nivel internacional. Está formada por 163 países.
- Asociación de Fabricantes Eléctricos Nacionales (NEMA): Asociación encargada de estandarizar la fabricación de equipos eléctricos para las normas de cada país.
Pruebas en transformadores
Estas se aplican para comprobar que un transformador ha sido diseñado correctamente, así como para operar fuera de sus condiciones nominales.
De acuerdo a la Norma Mexicana (NMX-J-169-ANCE-2004 “Transformadores y autotransformadores de Distribución y Potencia – Métodos de Prueba” las pruebas de rutina se pueden clasificar como pruebas de alta y de baja tensión:
Prueba de resistencia óhmica de los devanados
Tiene como objetivo comprobar que las conexiones internas de los devanados y guías están sujetadas firmemente, de igual forma, obtener las pérdidas en el cobre (I2R) y calcular la temperatura de los devanados en la prueba de temperatura. Se debe medir simultáneamente la temperatura de los devanados, como indican los siguientes pasos:
- Si el transformador es de tipo seco. La temperatura debe ser determinada por el promedio de por lo menos tres termómetros colocados entre los devanados.
- Si es sumergido en aceite. Se debe energizar 8 horas antes de efectuar la medición y la temperatura del devanado se considera como la del propio líquido.
- La prueba se realizara en un lugar donde no exista cambios bruscos en la temperatura.
Los métodos empleados para realizar la prueba son el método del puente de Wheststone o el método del puente Kelvin y el método de caída de potencial, siendo el del puente, el más usado por su simplicidad y exactitud además de operar con corrientes pequeñas, evitando calentamiento en los devanados y reduciendo errores en las mediciones. Se aplica a devanados donde la corriente nominal sea menor a un ampere.
El método de caída de potencial se utiliza cuando la corriente nominal del devanado es mayor a un ampere. Se realiza haciendo circular una corriente directa por el devanado sin exceder el 15% de la corriente nominal, para evitar calentamiento y por consiguiente, errores de medición. Las lecturas de tensión y corriente se toman simultáneamente de los aparatos siguiendo la conexión de la figura. La resistencia se obtendrá por la ley de ohm.
Para una mejor precisión se toma cinco lecturas de tensión y corriente. Y se toma como valor real de resistencia, el promedio de las mismas. La resistencia se referirá a la temperatura de operación a plena carga por medio de la siguiente expresión:
R1: resistencia referida a la temperatura 1 en Ω
R2: resistencia medida a la temperatura 2 en Ω
T constante de temperatura de resistencia cero, (Cu = 234.5 y Al =225.0 ºC)
T1: temperatura de operación, determinada por la ecuación T1= ΔT+20ºC, donde ΔT es la elevación total de la temperatura del transformador.
T2: Temperatura del devanado al momento de medir R2 en ºC.
El equipo empleado son el puente Wheatstone (resistencias de 1 a 1*109Ω) y el puente Kelvin (resistencias de 1*10-5 a 1Ω). Para eliminar los errores introducidos por el conductor con el cual se conecta el instrumento y la resistencia de contacto se utiliza el método de los 4 hilos, donde 2 hilos transmiten corriente los otros dos miden la caída de tensión en el devanado.
Los devanados que no están bajo prueba deberán permanecer en circuito abierto durante la prueba y así estabilizar más rápido la corriente de alimentación. En el caso de que la fuente de C.D. sea de conmutación, los devanados fuera de la prueba deben estar en cortocircuito. Esto para ambos métodos.
Prueba de resistencia de aislamiento
El objetivo de esta prueba es determinar la cantidad de humedad e impurezas que contiene los aislamientos del transformador.
Esta prueba se realiza en fábrica y campo, después de que el transformador ha terminado su proceso de secado y se encuentra a una temperatura entre 0°C y 40°C. La prueba se efectúa con un aparato conocido como medidor de resistencia de aislamiento o megóhmetro y comúnmente pero erróneamente llamado “MEGGER”, a una tensión de 1000 V, durante 10 minutos.
El análisis de resultados se realiza con valores obtenidos y corregidos a 20 ºC. La aceptación o rechazo depende del fabricante. Se debe analizar el incremento de la resistencia desde el minuto 1 hasta el minuto 10, el cociente de dividir el valor de la resistencia en el minuto diez y el del minuto uno se conoce como índice de polarización IP.
Estos resultados se ven afectados por la temperatura ambiente y para ello existe un factor k de corrección que es presentado en la siguiente tabla.
La prueba de resistencia de aislamiento de un transformador debe involucrar las siguientes maniobras de conexión:
a) Alta tensión contra baja tensión más tierra
b) Baja tensión contra alta tensión más tierra
c) Alta tensión contra baja tensión.
TTR
El TTR opera bajo el principio de dos transformadores con la misma relación de transmisión, que al conectarse en paralelo y ser excitados, con una pequeña diferencia en la relación de alguno, circulara una corriente relativamente grande entre ambos.
La prueba TTR es la más usada y proporciona la siguiente información.
- Determina la relación de vueltas y la polaridad de los transformadores monofásicos y trifásicos.
- Confirma la relación de transformación de los datos de placa del transformador.
- Determina la relación de vueltas y polaridad, más no de voltaje, en transformadores que no cuentan con datos de placa.
- Identifica perturbaciones en los devanados del transformador, por ejemplo si un devanado está abierto o en corto circuito.
Prueba de potencial aplicado.
El objetivo de esta prueba es verificar la clase y cantidad de material aislante de los devanados correspondientes sean las adecuadas, para asegurar que el transformador resistirá los esfuerzos eléctricos a los que se verá sometido durante su operación.
La prueba se hace aplicando una tensión a una frecuencia de 60Hz, durante 1 minuto, se inicia con un valor menor a un cuarto del establecido como tensión de prueba (de la siguiente figura). Después se debe elevar hasta la tensión requerid en 15 segundos aproximadamente. Posteriormente se regresa al valor inicial en 5 segundos aproximadamente. Si la tensión es retirada súbitamente con ayuda de un interruptor, los aislamientos pueden dañarse debido a una tensión mayor que la aplicada.
La prueba de resistencia de aislamiento de un transformador debe involucrar las siguientes maniobras de conexión:
a) Alta tensión contra baja tensión más tierra
b) Baja tensión contra alta tensión más tierra
c) Alta tensión contra baja tensión.
Relación de transformación
Esta prueba determina la relación entre el número de vueltas del devanado primario y el secundario, es decir; determina si la tensión suministrada puede ser transformada exactamente a la tensión deseada.
La relación del transformador se deduce de dividir el número de vueltas del devanado primario entre el número de vueltas del devanado secundario o bien en tensión o corriente:
Básicamente existen tres métodos para determinar la relación de transformación de un transformador:
1. Método de los voltímetros.
2. Método de los potenciómetros.
3. Método del transformador patrón. Transformer Turn Ratio (TTR).
El TTR opera bajo el principio de dos transformadores con la misma relación de transmisión, que al conectarse en paralelo y ser excitados, con una pequeña diferencia en la relación de alguno, circulara una corriente relativamente grande entre ambos.
La prueba TTR es la más usada y proporciona la siguiente información.
- Determina la relación de vueltas y la polaridad de los transformadores monofásicos y trifásicos.
- Confirma la relación de transformación de los datos de placa del transformador.
- Determina la relación de vueltas y polaridad, más no de voltaje, en transformadores que no cuentan con datos de placa.
- Identifica perturbaciones en los devanados del transformador, por ejemplo si un devanado está abierto o en corto circuito.
Prueba de potencial aplicado.
El objetivo de esta prueba es verificar la clase y cantidad de material aislante de los devanados correspondientes sean las adecuadas, para asegurar que el transformador resistirá los esfuerzos eléctricos a los que se verá sometido durante su operación.
La prueba se hace aplicando una tensión a una frecuencia de 60Hz, durante 1 minuto, se inicia con un valor menor a un cuarto del establecido como tensión de prueba (de la siguiente figura). Después se debe elevar hasta la tensión requerid en 15 segundos aproximadamente. Posteriormente se regresa al valor inicial en 5 segundos aproximadamente. Si la tensión es retirada súbitamente con ayuda de un interruptor, los aislamientos pueden dañarse debido a una tensión mayor que la aplicada.
Todas las terminales de un mismo devanado se conectan entre sí. El devanado que está bajo prueba se conecta a la terminal de alta tensión del transformador de prueba y todas las otras terminales se conectan a tierra.
Con esta prueba se pueden detectar las siguientes fallas:
- Incremento brusco de corriente: si durante la prueba la corriente se incrementa repentinamente existe una falla a tierra o entre los devanados de alta y baja tensión.
- Ruidos dentro del tanque: Se pueden deber a un exceso de humedad.
- Humo y burbujas: pueden indicar una falla a tierra o entre los devanados de alta y baja tensión. Si sólo son burbujas puede deberse a aire en el devanado y entonces se debe repetir la prueba.
Pérdidas en transformadores
Flujos dispersos
Como ya sabemos en el núcleo del transformador se produce un flujo magnético debido a la inducción magnética producida, dicho flujo circula por el núcleo, y en su trayecto en un transformador real este se dispersa en pequeñas cantidades dependiendo de la forma del núcleo, produciendo una pérdida de potencia, puesto que el flujo inducido no llega totalmente al segundo devanado si no que una parte de este se pierde en el trayecto.
Estas pérdidas generalmente se producen en los bordes del núcleo magnético.
Solución: Si tomamos en cuenta que el flujo circula por el núcleo, y que este flujo al encontrarse con un borde, parte de este se dispersa; la principal solución sería un diseño adecuado del núcleo para evitar que una gran cantidad de flujo se encuentre con un borde; sino más bien darle al flujo otras opciones de trayectoria para que el flujo se divida, y que este flujo ya dividido se encuentre con un borde, dando así lugar a una menor dispersión del flujo.
Para poder entender mejor lo mencionado anteriormente utilizaremos como ejemplo dos transformadores con diferentes diseños y analizaremos que es lo que sucede con el flujo disperso en cada uno:
El primer transformador tiene un diseño que comúnmente en llamado transformador a columnas, en este como se puede ver en la figura el flujo inducido se dispersa en los bordes que son bordes a 90ª, donde se pierde gran cantidad de flujo debido a la gran cantidad de flujo que pasa por dicho borde.
El segundo transformador de núcleo acorazado es un diseño muy adecuado para tener bajas perdidas por los flujos dispersos. Esto se debe a que el flujo inducido se divide en dos, y cuando el flujo ya está dividido pasa por un borde que no es recto sino un poco ovalado para evitar que una gran parte de flujo se disperse.
Es por esta razón que para reducir las pérdidas por flujos dispersos la mejor la gran solución es un muy buen diseño del núcleo del transformador.
- Incremento brusco de corriente: si durante la prueba la corriente se incrementa repentinamente existe una falla a tierra o entre los devanados de alta y baja tensión.
- Ruidos dentro del tanque: Se pueden deber a un exceso de humedad.
- Humo y burbujas: pueden indicar una falla a tierra o entre los devanados de alta y baja tensión. Si sólo son burbujas puede deberse a aire en el devanado y entonces se debe repetir la prueba.
Pérdidas en transformadores
Flujos dispersos
Como ya sabemos en el núcleo del transformador se produce un flujo magnético debido a la inducción magnética producida, dicho flujo circula por el núcleo, y en su trayecto en un transformador real este se dispersa en pequeñas cantidades dependiendo de la forma del núcleo, produciendo una pérdida de potencia, puesto que el flujo inducido no llega totalmente al segundo devanado si no que una parte de este se pierde en el trayecto.
Estas pérdidas generalmente se producen en los bordes del núcleo magnético.
Solución: Si tomamos en cuenta que el flujo circula por el núcleo, y que este flujo al encontrarse con un borde, parte de este se dispersa; la principal solución sería un diseño adecuado del núcleo para evitar que una gran cantidad de flujo se encuentre con un borde; sino más bien darle al flujo otras opciones de trayectoria para que el flujo se divida, y que este flujo ya dividido se encuentre con un borde, dando así lugar a una menor dispersión del flujo.
Para poder entender mejor lo mencionado anteriormente utilizaremos como ejemplo dos transformadores con diferentes diseños y analizaremos que es lo que sucede con el flujo disperso en cada uno:
El primer transformador tiene un diseño que comúnmente en llamado transformador a columnas, en este como se puede ver en la figura el flujo inducido se dispersa en los bordes que son bordes a 90ª, donde se pierde gran cantidad de flujo debido a la gran cantidad de flujo que pasa por dicho borde.
El segundo transformador de núcleo acorazado es un diseño muy adecuado para tener bajas perdidas por los flujos dispersos. Esto se debe a que el flujo inducido se divide en dos, y cuando el flujo ya está dividido pasa por un borde que no es recto sino un poco ovalado para evitar que una gran parte de flujo se disperse.
Es por esta razón que para reducir las pérdidas por flujos dispersos la mejor la gran solución es un muy buen diseño del núcleo del transformador.
Corrientes parásitas
Cuando en un transformador se induce un campo magnético, por la ley de Faraday aparece en el material también una fem inducida la cual da lugar a unas corrientes parásitas que circularan por el material.
Para entender mejor lo explicado miremos el siguiente gráfico.
El núcleo anterior es completamente macizo, donde hay un determinado flujo variable, originándose en dicho núcleo corrientes circulares que se opondrán en todo instante a la causa que las origina, como el núcleo es macizo la resistencia que ofrecerá a dichas corrientes circulares será baja, lo cual provocará el incremento de tales corrientes.
Debido al incremento de tales corrientes la fuerza magnetizante se debilitará y en consecuencia, provocará un incremento en la corriente que circula por el primario, la cual la obtendrá de la de la fuente que suministra la alimentación, lo cual representa una pérdida de potencia.
Solución: Para llegar a ofrecer máxima resistencia es posible integrar el núcleo magnético mediante un conjunto de láminas delgadas de hierro, superpuestas una sobre la otra y aisladas entre sí mediante un aislante, esto se ilustra en la siguiente figura:
En la figura podemos mirar en forma el efecto de reducción de las corrientes circulares; debido a que el hierro tiene ya menor sección, el valor alcanzado por las corrientes parásitas es ahora menor, y en consecuencia han disminuido las pérdidas.
Es decir para que las pérdidas se vean muy reducidas por las corrientes parásitas hay que construir el núcleo del transformador en láminas, o enchapado.
Tipos de conexiones en transformadores.
Circuitos trifásicos.
Las conexiones posibles son:
La clave para analizar un banco trifásico es ver un sólo transformador del banco. Cualquier transformador del banco se comporta exactamente como los transformadores monofásicos ya estudiados. La impedancia, la regulación de voltaje, la eficiencia y los demás cálculos para los transformadores trifásicos se llevan a cabo con base en un criterio por fase, utilizando exactamente las mismas técnicas desarrolladas para los transformadores monofásicos.
1. Conexión Y-Y
En una conexión Y-Y, el voltaje primario en cada fase del transformador está dado por V(∅P)= VLP/√3. El voltaje de fase primario se relaciona con el voltaje de fase secundario por medio de la relación de vueltas del transformador. El voltaje de fase en el secundario está relacionado con la línea de voltaje en el secundario por VLS= √3 V(∅S). Por lo tanto, la relación de voltaje general en el transformador es:
La conexión de estos transformadores en la que a continuación se muestra:
La conexión Y-Y tiene dos problemas graves:
1. Si las cargas en el circuito del transformador no están equilibradas, entonces los voltajes en las fases del transformador pueden llegar a desequilibrarse severamente.
2. Los voltajes de terceras armónicas pueden ser grandes.
Tanto el problema de desequilibrio de voltajes como el de la tercera armónica se pueden resolver utilizando una de las dos técnicas siguientes:
1. Conectando sólidamente a tierra los neutros de los transformadores, en especial el neutro del devanado primario. Esta conexión permite que los componentes aditivos de la tercera armónica causen un flujo de corriente en el neutro en lugar de acumular grandes voltajes. El neutro también suministra un camino de regreso para cualquier desequilibrio de corriente en la carga.
2. Añadir un tercer devanado (terciario) conectado en D al banco de transformadores. Si se añade al transformador un tercer devanado conectado en D, entonces los componentes de voltaje de la tercera armónica en D se sumarán y causarán un flujo de corriente circulante dentro del devanado. Esto suprime los componentes de voltaje de la tercera armónica de la misma manera que hacer tierra con los neutros de los transformadores.
Se debe utilizar una de las dos técnicas de corrección siempre que se instale un transformador Y-Y.
2. Conexión Y-Δ
En esta conexión, el voltaje de línea primario está relacionado con el voltaje de fase primario por VLp= √3 V(∅P), mientras que el voltaje de línea secundario es igual al voltaje de fase secundario VLS= V(∅S). La relación de voltaje de cada fase es
Por lo que la relación general entre el voltaje de línea en el lado primario del banco y el voltaje de línea en el lado secundario del banco es
La conexión Y-D no presenta problemas con los componentes en sus voltajes de la tercera armónica, puesto que se consumen en una corriente circulante en el lado D.
Sin embargo, este arreglo presenta un problema. Debido a la conexión, el voltaje secundario se desplaza 30° con respecto al voltaje primario del transformador. El hecho de que se desplace una fase puede causar problemas en la puesta en paralelo de los secundarios de dos bancos de transformadores. Los ángulos de fase de los transformadores secundarios deben ser iguales si se desea ponerlos en paralelo, lo que quiere decir que se tiene que poner atención a la dirección del desplazamiento de fase de 30° en cada banco del transformador para ponerlos en paralelo.
En una conexión D-Y, el voltaje de línea primario es igual al voltaje de fase primario VLp= V(∅P), mientras que los voltajes secundarios están relacionados por VLS= √3 V(∅S). Por lo tanto, la relación de voltaje de línea a línea en esta conexión es
Esta conexión tiene las mismas ventajas y el mismo desplazamiento de fase que el transformador Y-D.
4. Conexión Δ-Δ
En una conexión VLp= V(∅P) y VLS= √3 V(∅S), por lo que la relación entre los voltajes de línea primario y secundario es
Este transformador no tiene un desplazamiento de fase asociado y no tiene problemas con cargas desequilibradas o armónicas.




























Bons artigos, Você já ouviu falar do Sr. Benjamin, Email: lfdsloans@outlook.com --WhatsApp Contact: + 1-9893943740-- que trabalham com serviços de financiamento, me concedem um empréstimo de US $ 95.000,00 para iniciar o meu negócio e eu os pago anualmente há dois anos e ainda tenho dois anos restantes, embora goste de trabalhar com eles, porque eles são credores de empréstimos genuínos que podem lhe dar qualquer tipo de empréstimo.
ResponderEliminar